You are here: Home > Yanmar > Yanmar Parts > Yanmar Excavators ViO Series Parts > Yanmar ViO55-5B Excavator Parts > Yanmar ViO55-5B P.T.O.: ARM END |
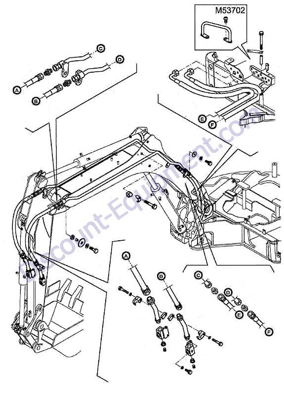
Yanmar ViO55-5B P.T.O.: ARM END
|
Search
Shopping Cart
Your cart is empty |
Manufacturer/Brand
Equipment Type
Edit this page










